VALVEX ORION plnoprůtočný kulový kohout na plyn MOP5 FM motýl
Kód: 3412150 3413150 3414150 Zvolte variantu


Související produkty
Detailní popis produktu
VALVEX ORION plnoprůtočný kulový kohout na plyn MOP5 FM motýl
Popis:
- pro rozvody plynu
- jako uzavírací armatura
- projekční podklady pošleme na vyžádání
- připojení 1/2", 3/4", 1"
- provedení přímý
- ovládání hliníkový motýl
- maximální pracovní tlak 20 bar
- maximální pracovní teplota 60 °C
- tlaková třída MOP 5-20 - Maximum Operating Pressure (maximální provozní tlak) - 20x105 Pa
- teplotní třída T2 (300 °C) - maximální povrchová teplota zařízení, které je vystaveno kontaktu s výbušným prostředím
- těsnost ≤20 cm³/h
- vyrobeno v Polsku
Použití:
- uzavírací armatura ve vnitřních a vnějších plynových instalacích budov
Materiál:
- tělo, matice, koule mosaz CW617N
- těsnění koule PTFE (teflon)
- těsnění vřetena o-kroužek, NBR
- ručka z hliníku s plastovým nástřikem
- tělo a matice povrchová úprava nikl
- koule ventilu povrchová úprava chrom
Instalace:
Abyste se vyhnuli problémům způsobeným nesprávnou montáží a uvedením do provozu, je vhodné se řídit pokyny výrobce. Vezměte prosím na vědomí, že nárok na záruku zaniká v případě neoprávněných úprav nebo zásahů během montáže a uvedení do provozu.
! Před instalací si pečlivě prostudujte montážní návod !

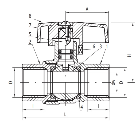
1 tělo ventilu, 2 matice těla ventilu, 3 koule, 4 těsnění koule, 5 vřeteno, 6 těsnění vřetene, 7 matice/šroub, 8 páčka

Kulové kohouty jsou dvoupolohovou oddělující armaturou, tzn., že pracují výhradně v polohách: „úplně otevřeno“ nebo „úplně zavřeno“. Otevření a uzavření kohoutu pomocí ovládací páčky 8: otočení doprava – zavírání, otočení doleva – otevírání. V krajních polohách páčky je kohout plně zavřen (páčka směřuje kolmo k ose kohoutu) nebo otevřen (páčka je souběžně s osou kohoutu).
Nasaďte vidlicový klíč na šestihranný (nebo osmihranný) konec ventilu na straně potrubí (pod páčkou, při poloze otevřeno) a našroubujte ventil na přívodní potrubí. Nepoužívejte klíč na opačný konec ventilu, abyste jej našroubovali na potrubí (ne závitový spoj, je vidět na řezu níže). Podobný postup použijte při demontáži ventilu. Použití jiných než výše uvedených metod může způsobit poškození nebo netěsnost ventilu. Na utěsnění závitů použijte těsnící materiál podle doporučených plynárenských předpisů (těsnící pasta +instalatérský len).
Kulový kohout lze montovat v libovolné poloze.
Pokud je pohyb páky omezen (např. překáží okolní vestavba), páku můžete namontovat v opačné poloze. V tomto případě vyšroubujte připevňovací šroub (matice) 7, čep 5, sejměte páku 8, otočte ji o 180°, pak ji opět nasaďte na čep a zajistěte připevňovacím šroubem.
V případě poškození, netěsnosti, úniku plynu z kohoutu nebo instalace, kohout zavřete a ihned tuto skutečnost nahlaste správci budovy, dodavateli plynu nebo místním revizním technikům a údržbářům plynové instalace. Poškozený kohout vyměňte za nový. Dodavatel instalace je povinen poučit odběratele o způsobu jejího uvedení do provozu a používání a předat mu pokyny k obsluze a záruční list s potvrzením o instalaci kohoutu.
Upozornění! Veškeré práce s plynovým zařízením mohou vykonávat pouze osoby s příslušným oprávněním.
Rozměr:


Průtok:

Valvex S.A.
Valvex S.A. znamená kvalitu, spolehlivost a kreativitu designů a technologií. Značka je uznávána a oceňována v zemích Evropské unie, v zemích Severní a Jižní Ameriky a na Středním východě. Valvex S.A.se těší zasloužené pověsti na polském trhu, odkud firma pochází. Vyrábí několik tisíc položek sortimentu. Mezi ně patří: koupelnové a kuchyňské baterie, armatury pro vodovodní instalace, armatury pro plynové instalace, systémy ústředního vytápění, široký sortiment spojovacího materiálu, připojovací hadice. Historie společnosti sahá až do roku 1922. Tehdy byla založena první továrna na armatury v Polsku. Rok 1970 je jedním z milníků v historii firmy – tehdy byl otevřen výrobní závod v Jordanówě. V roce 1994 se stala společnost Valvex S.A. partnerem americké kapitálové skupiny Meridian International Group se sídlem v Milwaukee, Wisconsin USA. Skupina zaměstnává téměř 1 tis. zaměstnanci ve výrobních závodech a prodejních kancelářích ve Spojených státech a v Evropě. Valvex S.A. se může pochlubit prestižním certifikátem ISO 9001 a tzv. "Environmentální" ISO 14001, která dokazuje, že výroba je prováděna s ohledem na přírodní prostředí.
Rádi vám poradíme s řešením!
Volejte + 420 702 120 202 nebo pište na info@novalinea.cz.
Doplňkové parametry
| Kategorie: | Plynové kohouty přímé |
|---|---|
| Záruka: | 24 měsíců |
| EAN: | Zvolte variantu |
| Použití: | plyn |
| Provedení: | přímý |
| Připojení: | 1/2", 3/4", 1" |
| Výrobce: | Valvex S.A. |
| ? Materiál: | mosaz |
| Médium: | plyn |
| ? Ovládání: | motýl |
| Provozní teplota: | 0 °C +60 °C |
| Provozní tlak: | PN 20 |
| ? Teplotní třída: | T2 |
| ? Tlaková třída: | MOP 5-20 |
VALVEX S.A. - prezentace společnosti
VALVEX S.A. - prezentace výrobního závodu
VALVEX S.A. - výroba kulových kohoutů
Buďte první, kdo napíše příspěvek k této položce.
Buďte první, kdo napíše příspěvek k této položce.
Valvex – Tradiční polský výrobce armatur s globálním dosahem a moderním přístupem
Valvex S.A. patří mezi nejstarší výrobce armatur ve střední Evropě – jeho historie sahá až do roku 1922. Dnes je značka součástí americké skupiny Meridian International Group a nabízí tisíce produktů pro vodovodní a plynové instalace, vytápění i sanitární techniku. Díky preciznímu inženýrství, silnému designu a důrazu na kvalitu je Valvex respektovaným jménem na trzích po celém světě.
✅ Kompletní sortiment armatur a baterií: pro vodovodní, plynové a topné systémy
✅ Silné exportní zastoupení: výrobky Valvex jsou známé v celé EU, v USA, Jižní Americe i na Středním východě
✅ Tradice a certifikovaná kvalita: od roku 1922, držitel ISO 9001 a ISO 14001 s ohledem na životní prostředí
Společnost Valvex S.A. kombinuje historickou zkušenost s moderním přístupem k výrobě. Díky neustálým inovacím, důrazu na ekologii a spolupráci se zahraničními partnery si buduje silnou pozici mezi evropskými i globálními výrobci armatur.
Rádi vám poradíme s řešením!
Volejte + 420 702 120 202
Pište na info@novalinea.cz
| Výrobní společnost : | Valvex SA |
|---|---|
| Adresa : | Nad Skawą 2, 34-240 Jordanów, Polsko |
| E-mail : | valvex@valvex.com |

