TECNOVIELLE 3014 kulový kohout na plyn MOP 5 s převlečnou maticí přímý
Kód: 301402 301408 Zvolte variantu


Související produkty
Detailní popis produktu
TECNOVIELLE 3014 kulový kohout na plyn MOP 5 s převlečnou maticí přímý
Popis:
- pro rozvody plynu
- jako uzavírací armatura
- projekční podklady pošleme na vyžádání
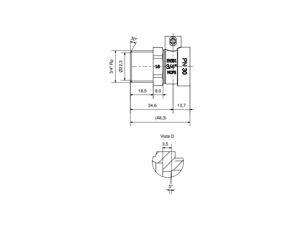
- připojení 1/2"
- provedení přímý
- provedení s převlečnou hlavicí
- ovládání hliníkový motýl
- maximální pracovní tlak 30 bar
- maximální pracovní teplota 60 °C
- tlaková třída MOP 5-20 - Maximum Operating Pressure (maximální provozní tlak) - 20x105 Pa
- teplotní třída T2 (300 °C) - maximální povrchová teplota zařízení, které je vystaveno kontaktu s výbušným prostředím
- vyrobeno v Itálii
Použití:
- jako uzavírací armatura ve vnitřních a vnějších plynových instalacích budov
Materiál:
- tělo, matice, koule mosaz CW617N
- těsnění koule PTFE (teflon)
- těsnění vřetena o-kroužek, NBR
- koule ventilu povrchová úprava chrom
Instalace:
Abyste se vyhnuli problémům způsobeným nesprávnou montáží a uvedením do provozu, je vhodné se řídit pokyny výrobce. Vezměte prosím na vědomí, že nárok na záruku zaniká v případě neoprávněných úprav nebo zásahů během montáže a uvedení do provozu.
! Před instalací si pečlivě prostudujte montážní návod !
Kulové kohouty jsou dvoupolohovou oddělující armaturou, tzn., že pracují výhradně v polohách: „úplně otevřeno“ nebo „úplně zavřeno“. Otevření a uzavření kohoutu pomocí ovládací páčky: otočení doprava – zavírání, otočení doleva – otevírání. V krajních polohách páčky je kohout plně zavřen (páčka směřuje kolmo k ose kohoutu) nebo otevřen (páčka je souběžně s osou kohoutu).
Nasaďte vidlicový klíč na šestihranný (nebo osmihranný) konec ventilu na straně potrubí (pod páčkou, při poloze otevřeno) a našroubujte ventil na přívodní potrubí. Nepoužívejte klíč na opačný konec ventilu, abyste jej našroubovali na potrubí (ne závitový spoj, je vidět na řezu níže). Podobný postup použijte při demontáži ventilu. Použití jiných než výše uvedených metod může způsobit poškození nebo netěsnost ventilu. Na utěsnění závitů použijte těsnící materiál podle doporučených plynárenských předpisů (těsnící pasta +instalatérský len).
V případě poškození, netěsnosti, úniku plynu z kohoutu nebo instalace, kohout zavřete a ihned tuto skutečnost nahlaste správci budovy, dodavateli plynu nebo místním revizním technikům a údržbářům plynové instalace. Poškozený kohout vyměňte za nový. Dodavatel instalace je povinen poučit odběratele o způsobu jejího uvedení do provozu a používání a předat mu pokyny k obsluze a záruční list s potvrzením o instalaci kohoutu.
Upozornění! Veškeré práce s plynovým zařízením mohou vykonávat pouze osoby s příslušným oprávněním.
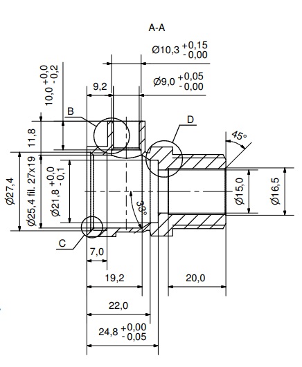
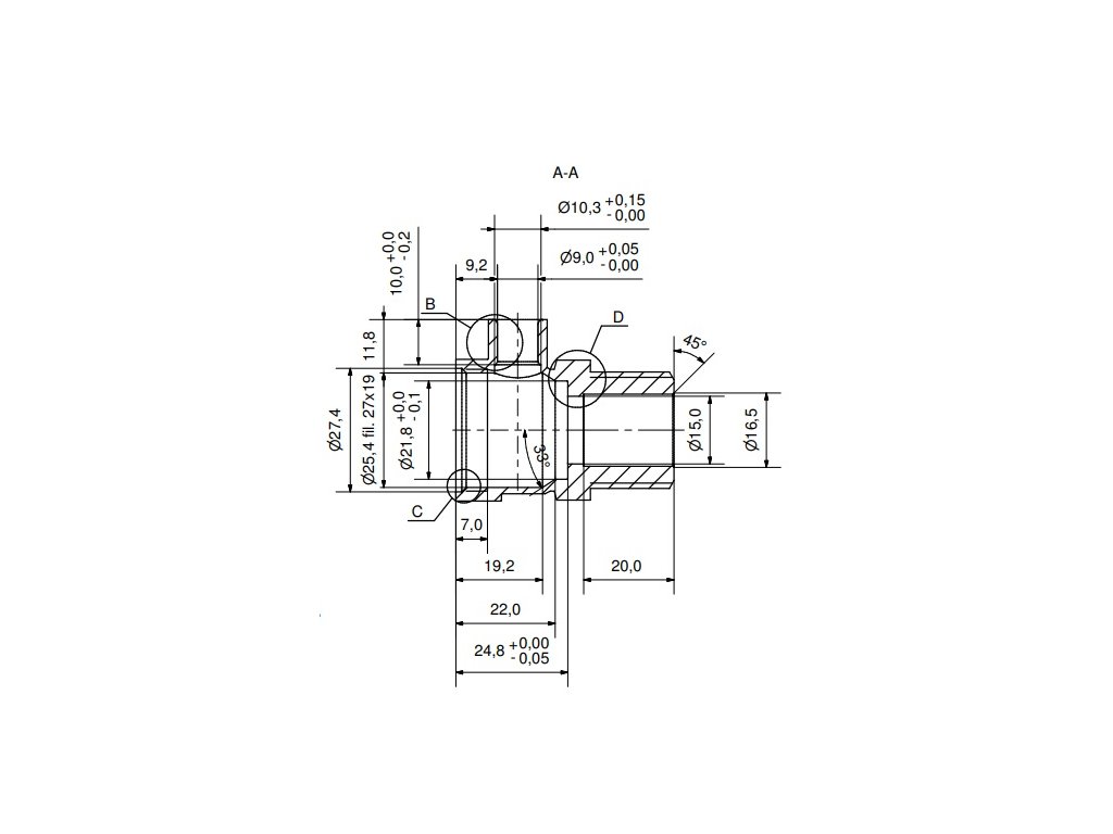
Rozměr:




Tecnovielle – Inovativní mosazné armatury a kulové kohouty z Itálie
Tecnovielle S.p.A. je italský výrobce mosazných armatur a kulových kohoutů pro vodovodní a plynové instalace, známý svou technickou kvalitou a schopností přinášet inovativní řešení. Od roku 2021 je součástí skupiny Bonomi Group, přičemž výroba probíhá výhradně v Itálii.
✅ 100% italská výroba: kulové kohouty, ventily, fitinky i hadičky pro vodu a plyn
✅ technologické patenty: Superfilter s magnetem či Turbo Ring s rychlou montáží
✅ zakázková řešení: díly na míru pro vodovody, plynárny a průmyslové provozy
Tecnovielle S.p.A. se řadí mezi přední evropské výrobce, kteří spojují inovaci, kvalitu a spolehlivost v každodenním provozu. Díky důrazu na zákaznické potřeby a technickou preciznost je značka vyhledávaným partnerem napříč obory.
Rádi vám poradíme s řešením!
Volejte + 420 702 120 202
Pište na info@novalinea.cz
Doplňkové parametry
| Kategorie: | Plynové kohouty s převlečnou maticí |
|---|---|
| Záruka: | 24 měsíců |
| EAN: | 8017685020225 |
| Použití: | plyn |
| Provedení: | přímý |
| Připojení: | 1/2", 3/4" |
| Výrobce: | Tecnovielle S.p.A., Itálie |
| ? Materiál: | mosaz |
| Médium: | plyn |
| ? Ovládání: | motýl |
| Povrchová úprava: | nikl |
| ? Provozní teplota: | -40 °C +60 °C |
| ? Provozní tlak: | PN 6 |
| ? Teplotní třída: | T2 |
| ? Tlaková třída: | MOP 5-20 |
Hodnocení produktu
Buďte první, kdo napíše příspěvek k této položce.
Diskuze
Buďte první, kdo napíše příspěvek k této položce.
Tecnovielle – Inovativní mosazné armatury a kulové kohouty z Itálie
Tecnovielle S.p.A. byla založena v roce 1980 v Lumezzane a od samého začátku se specializuje na výrobu mosazných kulových kohoutů a fitinek pro vodovodní a plynové instalace. Díky důrazu na inovaci, kvalitu a zákaznickou spokojenost se společnost postupně rozrostla a v roce 2021 se stala součástí skupiny Bonomi Group. Od roku 2024 působí společně s Rubinetterie Bresciane Bonomi S.p.A.
✅ 100% italská výroba: fitinky, kulové kohouty, připojovací hadičky a ventily pro vodu a plyn
✅ Vlastní patenty: například Superfilter – kompaktní ventil s filtrem a magnetem, nebo Turbo Ring – rychlospojka na PE potrubí s jednoduchou montáží
✅ Řešení na míru: zakázková výroba drobných dílů pro vodovody, plynárny, průmyslové provozy a automatizaci
Tecnovielle patří mezi přední evropské výrobce mosazných armatur, kteří dokáží nabídnout nejen široký sortiment, ale i technicky promyšlené produkty s maximální spolehlivostí v každodenním provozu.
Rádi vám poradíme s řešením!
Volejte + 420 702 120 202
Pište na info@novalinea.cz
| Výrobní společnost : | Bonomi Group S.p.A. |
|---|---|
| Adresa : | Via M. Bonomi,1 - 25064 Gussago (BS) Italy |
| E-mail : | bonomi@bonomi.it |


