ECOFOREST CRETA 6 kW kamna na pelety vzduch (sálavá)
Kód: 20906 20907 Zvolte variantu


Detailní popis produktu
ECOFOREST CRETA 6 kW kamna na pelety vzduch sálavá
Popis:
- vhodné i pro vytápění pasivního domu (kamna jsou vzduchotěsná)
- automatická regulace odtahu spalin, podávání paliva a vyfukovaného horkého vzduchu
- vlastní software ECOFOREST
- ovládání přes Wifi a webové rozhraní
- ovládání a programování podle teploty v místnosti nebo podle výkonu
- možnost více druhů paliva (pelety, mandlové skořápky, olivové pecky)
- vakuový systém čištění
- vícenásobné bezpečnostní systémy
- litinové topeniště
- nerezový kotlík
- žebrovaný výměník tepla bez nutnosti každodenního čištění
- možnost volby horního, zadního nebo pravého bočního odvodu spalin
- přední tmavé tvrzené sklo
- dvířka krbu se zrcadlovým efektem
- režim ecoSILENCE
- projekční podklady pošleme na vyžádání
- vyrobeno ve Španělsku
Technické vlastnosti:
- výkon 6 kW
- účinnost 91,2 %
- zásobník paliva 11 kg
- doba hoření podle regulace 17-8 h
- spotřeba paliva podle regulace 0,7-1,4 kg/h
- hmotnost 71,5 kg
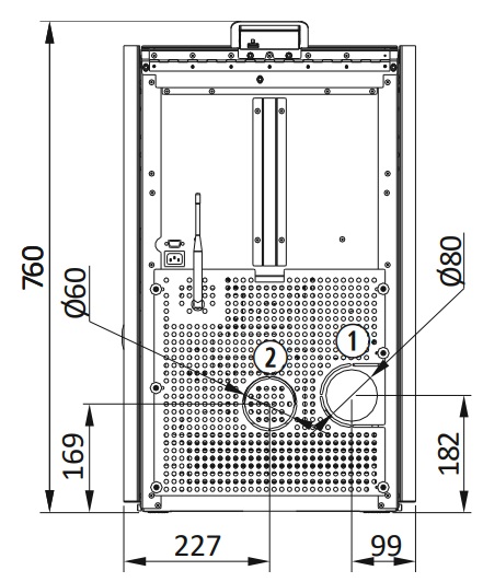
- rozměr bez obalu 504x524x905 mm
- přívod vzduchu (nasávání) pr. 60 mm
- odvod spalin pr. 80 mm
- vytápěná plocha 55 m2
Použití:
- ekologické vytápění objektu bez emisí
Rozměr:


1 odvod spalin pr. 80 mm
2 přívod vzduchu (nasávání) pr. 60 mm
Instalace:
Abyste se vyhnuli problémům způsobeným nesprávnou montáží a uvedením do provozu, je vhodné se řídit pokyny výrobce.
Vezměte prosím na vědomí, že nárok na záruku zaniká v případě neoprávněných úprav nebo zásahů během montáže a uvedení do provozu.
! Před instalací si pečlivě prostudujte montážní návod !

1 kryt výdechu horkého vzduchu musí být vždy otevřený, kdykoli jsou kamna v provozu
Při doplňování paliva do kamen musíme otevřít kryt násypky a palivo opatrně nasypat do násypky těsně po okraj.
Po doplnění paliva do násypky se ujistěte, že je víko násypky správně zavřené.
Neotevírejte zásobník a nedoplňujte palivo, pokud jsou kamna v provozu.


1 kryt kamen
2 palivo
3 kryt násypky
UMÍSTĚNÍ A BEZPEČNÉ VZDÁLENOSTI

A od boční stěny ≥ E
B minimální vzdálenost, která umožňuje přečíst štítek s označením kamen ≥ 80 mm
C 1,5 x hloubka kamen (viz rozměr kamen)
D minimální vzdálenost od police ≥ 500 mm
E hloubka kamen (viz rozměr kamen)

A Vzdálenost od větrací mřížky 500 mm
B Vzdálenost od větrací mřížky 500 mm
C Boční strana okna 1 250 mm
D Horní část okna 650 mm
E Horní část dveří 650 mm
F Boční strana dveří 1 250 mm
G Přilehlá stěna 300 mm
H Výška přilehlé stěně 2 300 mm
I Od přilehlé budovy 650 mm
PŘÍKLADY INSTALACÍ SPALINOVÉ CESTY/KOUŘOVODŮ
Pokud celková délka instalovaného odkouření přesáhne 8 m, doporučujeme zvětšit průměr potrubí tak, aby měla celá sestava stejný průměr už od napojení kamen.
Pokud to nelze, potom zvětšit průměr potrubí spalinové cesty od 4 m výše.
Níže uvedená instalace je ta, kterou doporučuje společnost Ecoforest pro lepší výkon kamen.
Minimální délka vnitřního horizontálního odkouření je 2 m.

1 větruodolné zakončení kouřovodu
2 objímka z nerezové oceli
3 revizní a čistící T-kus
5 izolace/průchodka/chránička
6 podlaha
7 nehořlavá izolační deska
14 90° koleno
18 vertikální délka odkouření ≥ 2 m
19 horizontální délka odkouření max. 1 m
Venkovní instalace kouřovodu pomocí dvouplášťových trubek s izolací

1 větruodolné zakončení kouřovodu
2 objímka z nerezové oceli
3 revizní a čistící T-kus
5 izolace/průchodka/chránička
6 podlaha
7 nehořlavá izolační deska
14 90° koleno
18 vertikální délka odkouření ≥ 2 m
Při montáži odkouření do komína je třeba dbát na dokonalé utěsnění mezi ohebným a pevným potrubím a také na umístění izolace ve styčných plochách mezi potrubím a případnými hořlavými plochami.
Konec trubky může být ponechán uvnitř samotného komína, s ohledem na jeho otvor.
Po dokončení instalace musíme izolovat komín od interiéru domu.

2 objímka z nerezové oceli
3 revizní a čistící T-kus
6 podlaha
7 nehořlavá izolační deska
10 flexi odkouření/husí krk
11 izolační pouzdro pro pevné a flexi spoje
15 vzdálenost min 200 mm
16 přesah přes střechu min 1 m
17 pokud je trubka kouřovodu delší než 8 m, použijte se nejbližší větší velikost
Instalace odtahu spalin do komína může být také provedena zcela v ohebné trubce (viz níže na obrázku).
Přechodu mezi komínem a flexi trubkou odtahu spalin musí být správně zaizolován.
Při špatné izolaci může dojít k zpětnému přisávání spalin při náhlé změně atmosférického tlaku (např. při bouřce).
Při instalaci flexi odtahu spalin dávejte pozor, aby se nedotýkala hořlavého materiálu nebo byla v jejich blízkosti.

2 objímka z nerezové oceli
3 revizní a čistící T-kus
6 podlaha
7 nehořlavá izolační deska
10 flexi odkouření/husí krk
11 pevná až pružná spojovací manžeta
12 manžeta/izolátor proti zpětnému rázu
15 vzdálenost min 200 mm
16 přesah přes střechu min 1 m
17 pokud je trubka kouřovodu delší než 8 m, použijte se nejbližší větší velikost )
Styčné plochy mezi kouřovodem a případnými hořlavými povrchy musí být dokonale odizolovány.
PŘÍKLADY VZDUCHOTĚSNÉ INSTALACE PRO PASIVNÍ DOMY
Pomocí DIFLUX potrubí
Odtah spalin a vstup přisávaného venkovního vzduchu jsou napojeny na kouřovod/koncentrickou trubku DIFLUX.
Po napojení vstupu přisávaného vzduchu, který bude bezprostředně venku, musí být ostatní části potrubí s dvojitou stěnou.

1 přívod vzduchu do kamen
2 přisávání z venku
3 vertikální 2 plášťové odkouření ≥ 2m
4 větruodolné zakončení kouřovodu
5 napojení kamen na odtah spalin
6 objímka z nerezové oceli
Přívod vzduchu napojený přímo na exteriér

1 napojení kamen na odtah spalin
2 přisávání z venku
3 vertikální 2 plášťové odkouření ≥ 2m
4 větruodolné zakončení kouřovodu
6 objímka z nerezové oceli
PŘIPOJENÍ WIFI ANTÉNY, NAPÁJECÍHO KABELU A POKOJOVÉHO TERMOSTATU
Návod k instalaci a údržbě, Uživatelský manuál, WiFi anténa, napájecí kabel, pokojová sonda a čisticí kartáček jsou umístěny v papírové krabici v topeništi uvnitř kamen.
CZ překlady Návod k instalaci a údržbě a Uživatelský manuál zasíláme elektronicky a jsou ke stažení v Souvisejících souborech na kartě produktu.

1 klávesnice
2 podpora klávesnice
3 připojení pokojové sondy
4 připojení napájení ~230/240V - 50H
Přišroubujte anténu Wi-Fi k dokovací stanici s magnetem.
Tato magnetická základna musí být přilepena na zadní stranu kotle.
Po sestavení musí jednotka zůstat ve svislé poloze.

1 anténa
2 dokovací stanice s magnetem
Umístěte anténu WiFi s dokovací stanicí s magnetem na vhodné místo na zadní stranu kamen.
Vyvarujte se, aby se v okolí antény nevyskytovalo nějaké kovové stínění/překážka.
Takové stínění zkresluje signál WiFi.

Šíření WiFi signálu - pohled shora.

WiFi půdorys signálu bez kovových předmětů kolem.
DOPORUČENÉ ČIŠTĚNÍ A ÚDRŽBA
Pro správný provoz kamen je nutná pravidelná údržba kamen a spalinové cesty.
Kamna musí být vždy mimo provoz a dostatečně vychladlá.
Poničení některých dílů kamen z důvodu nedostatečného čištění a údržby znamená ztrátu dvouleté záruky (viz Návod k instalaci a údržbě).
DENNÍ ÚDRŽBA
Kamna musí být vždy mimo provoz a dostatečně studená.
Hořák a topeniště
Vyčistěte hořák, topeniště, zkontrolujte otvory v kotlíku a vysajte všechny nečistoty.
Po vyčištění opět sestavte topeniště zpět.

Dvířka se sklem
Sklo vyčistěte jednoduše kouskem papíru nebo nanesením kapaliny na čištění skla kamen a setřete hadříkem.
Sklo musí být vždy studené.
TÝDENNÍ ÚDRŽBA
Popelník
Vyčistěte popelník a vysajte veškeré nečistoty.


1 popelník
Horní deska kamen
U modelů Creta a Moon II musíte zatlačit nahoru horní desku kamen (1), abyste uvolnili západky, které ji připevňují ke středové desce, a vytáhněte ji.
Po dokončení vraťte horní desku zpět a ujistěte se, že jsou západky správně usazeny.

1 horní deska kamen
2 výměník tepla
UPOZORNĚNÍ:
Pokud kamna nebudete pravidelně čistit od vzniklých nečistot, může dojít k deformaci vnitřních dílů kamen (hořák s držákem, popelníková zásuvka, topeniště atd.) vlivem špatného provozu kamen.
Na takto vzniklou poruchu kamen se nemusí vztahovat záruka výrobce.
Špatně udržovaná kamna mají negativní vliv na správný provoz kamen.
PRAVIDELNÝ SERVIS A ÚDRŽBU NA KONCI TOPNÉ SEZÓNY NEBO KAŽDÝCH 500 KG SPOTŘEBOVANÉHO PALIVA
VÍCE INFORMACÍ NAJDETE V NÁVODU K INSTALACI A ÚDRŽBĚ
Minimální požadavky na palivo:
- kamna ECOFOREST jsou navržena pro provoz s dřevěnými peletami, mohou ale pracovat i s jinými palivy z biomasy (zeptejte se na to svého prodejce)
- pokud je možné používat jiný druh biomasy, zvolte jej v nabídce v ovládání kamen pro výběr paliva (viz návod k obsluze)
- ve většině případů není spalovací kotlík stejný jako u dřevěných pelet (lze dokoupit)
- společnost ECOFOREST nemá žádnou kontrolu nad kvalitou používaného paliva
- společnost ECOFOREST nemůže zaručit plný výkon vašich kamen a ani zamezit případnému poškození kamen a spalinové cesty použitím nekvalitního paliva

BIOMASA ECOFORESTAL DE VILLACAÑAS, S.L.U.
Ecoforest založil v roce 1959 Jose Carlos Alonso; jeho vizí bylo vyvíjet inovativní produkty, které budou jak ekonomické, tak ekologické, se záměrem učinit svět lepším místem. Dnes, o více než 50 let později, je Ecoforest technologickým lídrem v sektoru vytápění s řešeními založenými výhradně na čisté a přírodní energii.
1992 první výrobce peletových kamen v Evropě. V současné době má více než 30 modelů a mezinárodní zastoupení
1993 uveden do výroby první model peletkových kamen s ohřevem vody
2012 tepelná čerpadla Ecoforest. 1. tepelné čerpadlo země-voda s technologií Copeland Inverter
2018 nové ústředí Ecoforest- Zvýšení produkce o 300 %
Rádi vám poradíme s řešením!
Volejte + 420 702 120 202 nebo pište na info@novalinea.cz.
Doplňkové parametry
| Kategorie: | Kamna na pelety vzduch (sálavá) |
|---|---|
| Záruka: | 24 měsíců |
| EAN: | 8436541909069 |
| Barva: | bílá, černá |
| Použití: | voda a topení |
| Provedení: | kamna vzduch |
| Výkon: | 6 kW |
| Výrobce: | BIOMASA ECOFORESTAL DE VILLACAÑAS, S.L.U. |
| Vytápěná plocha: | 55 m2 |
| ? Palivo 1: | dřevěné pelety |
| ? Palivo 2: | drcené pecky z oliv |
| ? Palivo 3: | drcené skořápky z mandlí |
| Kapacita zásobníku paliva: | 11 kg |
| ? Doba hoření podle regulace: | 17-8 h |
| ? Spotřeba paliva podle regulace: | 0,7-1,4 kg/h |
| ? Odvod spalin: | pr. 80 mm |
| ? Přisávání vzduchu: | pr. 60 mm |
| Rozměr kamen: | 504x524x905 mm |
| Rozměr kamen vč. obalu: | 518x528x854 mm |
| Hmotnost kamen: | 71,5 kg |
| Hmotnost kamen vč. obalu: | 83,5 kg |
| Účinnost kamen: | 91,2 % |
| ? Projekční podklady: | ano |
| ? Pasivní dům: | ano |
| ? Mobilní aplikace: | ano |
| ? Webové rozhraní: | ano |
Estufa de pellets Creta - Poêle à granulés Creta - Salamandra a pellets Creta
Nueva sede (New headquarters) - Ecoforest
This is Ecoforest - Esto es Ecoforest
Hodnocení produktu
Buďte první, kdo napíše příspěvek k této položce.
Diskuze
Buďte první, kdo napíše příspěvek k této položce.
Ecoforest – Průkopník udržitelného vytápění z obnovitelných zdrojů
Španělská společnost Ecoforest (BIOMASA ECOFORESTAL DE VILLACAÑAS, S.L.U.) působí na trhu od roku 1992 a patří mezi technologické lídry v oblasti ekologického vytápění. Jako první výrobce peletových kamen v Evropě se Ecoforest od počátku zaměřuje na vývoj účinných a energeticky úsporných produktů, které přispívají ke snižování uhlíkové stopy a nákladů na energie.
✅ Široké portfolio produktů: peletová kamna, kotelní systémy, tepelná čerpadla země–voda
✅ Inovace a vývoj: první inverterová tepelná čerpadla s technologií Copeland již v roce 2012
✅ Udržitelný růst: moderní sídlo a trojnásobná kapacita výroby od roku 2018
Ecoforest neustále investuje do výzkumu a vývoje s cílem nabídnout řešení pro ekologické a ekonomické vytápění domácností i komerčních budov. Je synonymem pro obnovitelné zdroje energie a technologickou špičku v oblasti udržitelného vytápění.
Rádi vám poradíme s řešením!
Volejte + 420 702 120 202
Pište na info@novalinea.cz
| Výrobní společnost : | Ecoforest (BIOMASA ECOFORESTAL DE VILLACAÑAS, S.L.U.) |
|---|---|
| Adresa : | Parque Empresarial Porto do Molle, Rúa das Pontes, 25, 36350 Nigrán, Pontevedra, Španělsko |
| E-mail : | info@ecoforest.com |


