CALEFFI 544 bezpečnostní ventil s automatickým dopouštěním
Kód: 544400


Související produkty
Detailní popis produktu
CALEFFI 544 bezpečnostní ventil s automatickým dopouštěním
Popis:
- pro kotle na tuhá paliva
- pro rozvody vody a topení
- jako bezpečnostní armatura
- projekční podklady pošleme na vyžádání
- připojení 1/2"
- délka kapiláry 1300 mm (G 1/2")
- regulace teploty 5 °C +110 °C
- maximální teplota čidla 110 °C
- maximální pracovní tlak 6 bar
- maximální pracovní teplota 110 °C
- maximální teplota okolí 50 °C
- přednastavená teplota 100 °C (0/-5 °C)
- vypouštěcí průtok při Δp 1 bar a T=110 °C 1600 l/hod
- vyrobeno v Itálii
Použití:
Bezpečnostní ventil s automatickým dopouštěním slouží k zajištění bezpečnosti v otopných systémech, které využívají jako zdroj tepla kotel, sporák nebo kamna na tuhá paliva, olej, biomasu s tepelným výkonem pod 35 kW jako zdroj tepla bez externího výměníku. V případě přetopení systému ventil odvádí přehřátou topnou vodu ze systému a zároveň do systému dopouští studenou vodu (tím ochlazuje systém). Vše je řízeno teplotním senzorem.
Materiál:
- tělo mosaz EN 12165 CW617N, chromovaná
- jímka mosaz EN 12164 CW614N
- pružina ocel EN 10270-1
- hydraulická těsnění EPDM
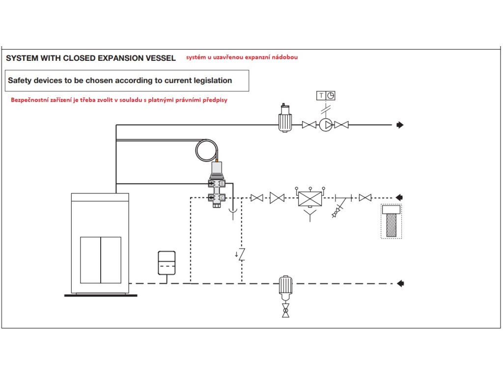
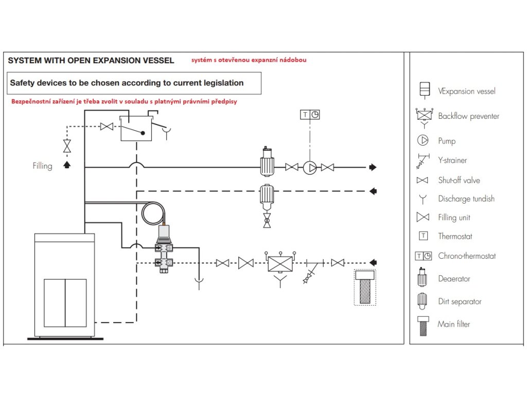
Jak to funguje:

Po dosažení nastavené teploty (obr.1) se otevře vstupní otvor studené vody (4 a 3) a současně se otevře vypouštěcí otvor (1 a 2). To trvá tak dlouho, dokud teplota v systému neklesne pod spouštěcí hodnotu a vstup a výstup se uzavřou současně. V případě poruchy teplotního čidla (5) (6) bude ventil nepřetržitě vykonávat stejnou funkci vypouštění a napouštění. Termometrický štítek (7) na teplotním čidle ukazuje, zda byla překročena maximální přípustná teplota 110 °C.

Na těle ventilu je vyznačeno následující (obr.2):
– šipka (1) označuje napojení topné vody z kotle a připojení k bezpečnostnímu přepadu s písmenem „S“ (2)
– šipka (3) označuje napojení na vratnou vodu do kotle a přívod „C“ (4) studené vody z vodovodního řádu vody do systému
Upozornění Nelze obrátit napojení (průtoky). Vždy se řiďte údaji na těle armatury.
Instalace:
Abyste se vyhnuli problémům způsobeným nesprávnou montáží a uvedením do provozu, je vhodné se řídit pokyny výrobce. Vezměte prosím na vědomí, že nárok na záruku zaniká v případě neoprávněných úprav nebo zásahů během montáže a uvedení do provozu.
! Před instalací si pečlivě prostudujte montážní návod !

Ventil lze namontovat v libovolné poloze, svisle, vodorovně nebo obráceně.
Jímka teplotního čidla (6) spolu s ventilem musí být namontována na výstupním topném potrubí ve vzdálenosti (d) od kotle, jak je stanoveno současnou legislativou, nebo v nejvyšším bodě kotle a v každém případě před vypouštěcím potrubím. Musí být použita pouze jímka dodávaná s ventilem.
Aby se předešlo jakékoli poruše v důsledku přítomnosti nečistot, doporučuje se nainstalovat na plnicí vstup kontrolovatelné y-filtr nebo jiný filtr s magnetem. Vše je nutné pravidelně kontrolovat, zda je sítko filtru čisté a neucpané. Doporučuje se instalovat sítko v průhledné nádobě, aby bylo možné kontrolovat stav nečistot během provozu.
Rozměr:

Aplikace:


CALEFFI S.P.A.
Caleffi S.p.A., Itálie, vyvíjí a vyrábí výrobky pro vytápění, klimatizace a instalační systémy. Dále pro kalorimetrii a specifické komponenty pro systémy pracující s obnovitelnými zdroji.
Celá historie Caleffi v detailní exkurzi: od počátků v roce 1961, přes rozmach v 80. letech až po mezinárodní prodejní expanzí v devadesátkách. Prožijte si takové naše milníky jako je vybudování unikátního výzkumného centra CUBOROSSO nebo automatického skladu MAV.
Skupina Caleffi: CALEFFI, RDZ, CRISTINA, ALTECNIC,EKINEX a ALL VALVE Industries.
Rádi vám poradíme s řešením!
Volejte + 420 702 120 202 nebo pište na info@novalinea.cz.
Doplňkové parametry
| Kategorie: | Bezpečnostní ventily ke kotlům na tuhá paliva |
|---|---|
| Záruka: | 24 měsíců |
| Hmotnost: | 1.32 kg |
| Použití: | voda a topení |
| Provedení: | bezpečnostní ventil |
| Připojení: | 1/2" |
| Výrobce: | Caleffi S.p.a., Itálie |
| ? Délka kapiláry: | 1300 mm |
| ? Materiál: | mosaz |
| Maximální teplota čidla: | 110 °C |
| ? Provozní teplota: | 0 °C +100 °C |
| Provozní tlak: | PN 6 |
| Regulace teploty: | 5 °C +110 °C |
| ? Vypouštěcí průtok: | 1600 l/hod. |
Prezentace MADE IN CALEFFI - The HeArt of Creation
Hodnocení produktu
Buďte první, kdo napíše příspěvek k této položce.
Diskuze
Buďte první, kdo napíše příspěvek k této položce.
Caleffi – Inovativní řešení pro vytápění a obnovitelné zdroje
Caleffi S.p.A. je italský výrobce špičkových komponentů pro vytápění, chlazení, vodoinstalace a systémy s obnovitelnými zdroji energie. Od svého založení v roce 1961 se firma neustále rozvíjí a dnes patří mezi přední světové hráče v oboru. Významné milníky jako otevření výzkumného centra CUBOROSSO nebo spuštění automatického skladu MAV potvrzují její závazek k inovacím a technickému pokroku.
✅ Široké portfolio komponentů: pro vytápění, klimatizaci, kalorimetrii a OZE systémy
✅ Vlastní vývoj a výzkum: unikátní centrum CUBOROSSO jako základ pro inovace
✅ Silná mezinárodní skupina: součástí skupiny jsou značky RDZ, Cristina, Altecnic, Ekinex a All Valve Industries
Caleffi je synonymem pro preciznost, spolehlivost a moderní technologii. Díky důrazu na výzkum, vývoj a výrobu v Itálii, nabízí Caleffi kvalitní komponenty pro instalatéry, projektanty a systémové integrátory po celém světě. Sázka na udržitelnost a obnovitelné zdroje posouvá značku do čela evropského trhu technických zařízení budov.
Rádi vám poradíme s řešením!
Volejte + 420 702 120 202
Pište na info@novalinea.cz
| Výrobní společnost : | Caleffi S.p.A. |
|---|---|
| Adresa : | S.R. 229, n. 25 28010 Fontaneto d'Agogna (NO) Italy |
| E-mail : | info@caleffi.com |

