CALEFFI 250 SOLAR kulový kohout s těsněním 3/8"
Kód: 250300


Související produkty
Detailní popis produktu
CALEFFI 250 SOLAR kulový kohout s těsněním
Popis:
- pro solární systémy
- pro rozvody vody a topení
- pro vodu a glykol (max. 50 % roztok)
- jako uzavírací armatura
- projekční podklady pošleme na vyžádání
- připojení 3/8"
- maximální pracovní tlak 10 bar
- maximální pracovní teplota 200 °C
- vyrobeno v Itálii
Použití:
Jako uzavírací armatura pro automatické odvzdušňovací ventily, které plní funkci eliminace vzduchu, který se hromadí uvnitř okruhů systému. Tímto způsobem je zamezeno vzniku negativních jevů jako je koroze, vzduchové kapsy umístěné v topných tělesech, kavitace v oběhových čerpadlech atd.
Materiál:
- tělo mosaz CW617N UNI 12165
- těsnění vysoce odolný elastomer
Jak to funguje:
Hromadění vzduchových bublin v těle ventilu způsobí pokles plováku, takže se otevře odvzdušňovací otvor. K tomuto jevu dochází a následně ventil funguje správně, pokud tlak vody zůstává pod maximálním výstupním tlakem.

Odolnost vůči vysoké teplotě. Použité materiály umožňují zachování funkčních vlastností ventilu při teplotách glykolové vody do 180 °C.
Údržba:
Konstrukce automatického odvzdušňovacího ventilu řady 250 umožňuje kontrolu vnitřního mechanismu. Přístup k pohyblivým částem, které řídí větrací otvor, je umožněn jednoduchým sejmutím horního krytu.

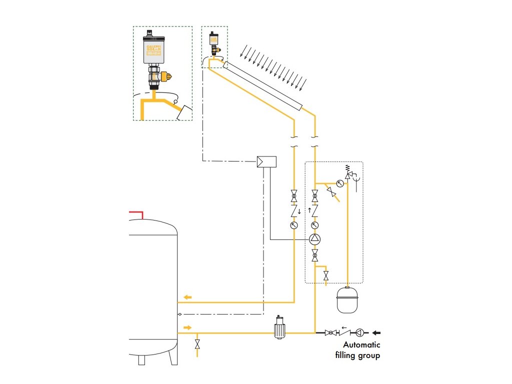
Před zařízení řady 250 musí být instalován uzavírací kohout (CALEFFI 250 SOLAR kulový kohout 3/8") pro zjednodušení případných údržbářských prací a pro uzavření po fázi plnění.

Instalace:
Abyste se vyhnuli problémům způsobeným nesprávnou montáží a uvedením do provozu, je vhodné se řídit pokyny výrobce. Vezměte prosím na vědomí, že nárok na záruku zaniká v případě neoprávněných úprav nebo zásahů během montáže a uvedení do provozu.
! Před instalací si pečlivě prostudujte montážní návod !

Rozměr:

Průtoková křivka:

Příklad instalace:


CALEFFI S.P.A.
Caleffi S.p.A., Itálie, vyvíjí a vyrábí výrobky pro vytápění, klimatizace a instalační systémy. Dále pro kalorimetrii a specifické komponenty pro systémy pracující s obnovitelnými zdroji.
Celá historie Caleffi v detailní exkurzi: od počátků v roce 1961, přes rozmach v 80. letech až po mezinárodní prodejní expanzí v devadesátkách. Prožijte si takové naše milníky jako je vybudování unikátního výzkumného centra CUBOROSSO nebo automatického skladu MAV.
Skupina Caleffi: CALEFFI, RDZ, CRISTINA, ALTECNIC,EKINEX a ALL VALVE Industries.
Rádi vám poradíme s řešením!
Volejte + 420 702 120 202 nebo pište na info@novalinea.cz.
Doplňkové parametry
| Kategorie: | Kulové kohouty pro solární systémy |
|---|---|
| Záruka: | 24 měsíců |
| Hmotnost: | 0.11 kg |
| Použití: | voda a topení, solární systémy |
| Provedení: | přímý |
| Připojení: | 3/8" |
| Výrobce: | Caleffi S.p.a., Itálie |
| ? Materiál: | mosaz |
| ? Médium: | voda a glykol |
| ? Ovládání: | motýl |
| ? Provozní teplota: | -20 °C +200 °C |
| Provozní tlak: | PN 10 |
Prezentace MADE IN CALEFFI - The HeArt of Creation
Hodnocení produktu
Buďte první, kdo napíše příspěvek k této položce.
Diskuze
Buďte první, kdo napíše příspěvek k této položce.
Caleffi – Inovativní řešení pro vytápění a obnovitelné zdroje
Caleffi S.p.A. je italský výrobce špičkových komponentů pro vytápění, chlazení, vodoinstalace a systémy s obnovitelnými zdroji energie. Od svého založení v roce 1961 se firma neustále rozvíjí a dnes patří mezi přední světové hráče v oboru. Významné milníky jako otevření výzkumného centra CUBOROSSO nebo spuštění automatického skladu MAV potvrzují její závazek k inovacím a technickému pokroku.
✅ Široké portfolio komponentů: pro vytápění, klimatizaci, kalorimetrii a OZE systémy
✅ Vlastní vývoj a výzkum: unikátní centrum CUBOROSSO jako základ pro inovace
✅ Silná mezinárodní skupina: součástí skupiny jsou značky RDZ, Cristina, Altecnic, Ekinex a All Valve Industries
Caleffi je synonymem pro preciznost, spolehlivost a moderní technologii. Díky důrazu na výzkum, vývoj a výrobu v Itálii, nabízí Caleffi kvalitní komponenty pro instalatéry, projektanty a systémové integrátory po celém světě. Sázka na udržitelnost a obnovitelné zdroje posouvá značku do čela evropského trhu technických zařízení budov.
Rádi vám poradíme s řešením!
Volejte + 420 702 120 202
Pište na info@novalinea.cz
| Výrobní společnost : | Caleffi S.p.A. |
|---|---|
| Adresa : | S.R. 229, n. 25 28010 Fontaneto d'Agogna (NO) Italy |
| E-mail : | info@caleffi.com |

