BLACKFIRE HTDA odbočka 87°30' dvojitá odpadní odhlučněná ohnivzdorná
Kód: VS0660654 VS0660656 VS0660659 VS0660667 Zvolte variantu


Související produkty
Detailní popis produktu
BLACKFIRE HTEA odbočka 87°30’ dvojitá odpadní odhlučněná ohnivzdorná
Popis:
- pro instalace vnitřních vysokoteplotních a nízkoteplotních odpadních systémů a jejich ventilací a pro odvod dešťové vody uvnitř občanských a průmyslových budov, nemocnic, hotelů atd.
- hlučnost 16 dB(A) při průtoku 2 l/s
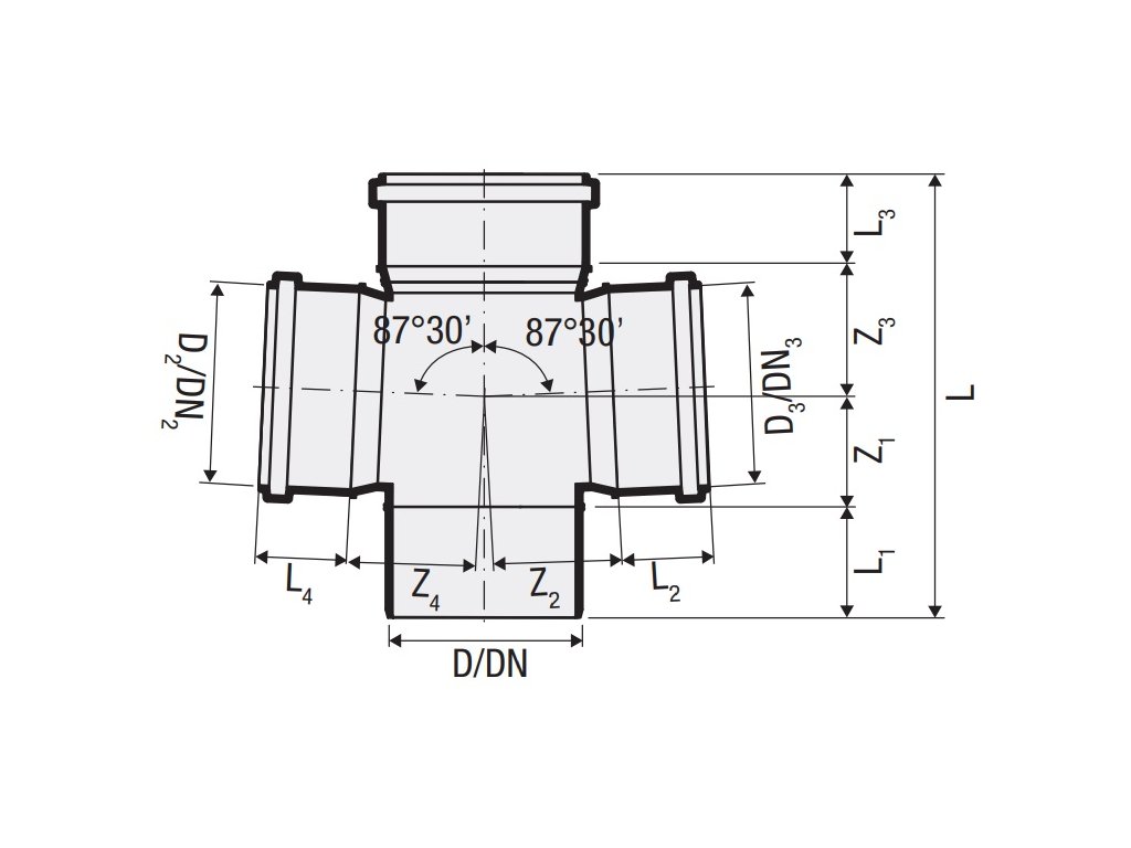
- úhel 87°30'
- připojení DN 110/50/50, DN 110, DN 125/110/110, DN 160/110/110
- provozní teplota 0 °C + 80 °C
- krátkodobá maximální teplota + 95 °C
- protipožární odolnost B1
- vyrobeno v Itálii
Použití:
Trubky a tvarovky Valsir Blackfire® splňují požadavky normy EN 1451 a lze je použít uvnitř budov určených pro obytné a průmyslové použití a zejména pro následující účely:
- Odpadní potrubí pro domovní odpadní systémy (nízká a vysoká teplota)
- Větrací potrubí napojené na odpadní potrubí
- Systémy svodů dešťové vody v konstrukci budovy
Podle evropské normy EN 1451 jsou trubky a tvarovky Valsir Blackfire® vhodné pro aplikace označené „B“, které jsou určeny k použití uvnitř budov a mimo budovy připevněné na stěnu.
Materiál:

1. Mezivrstva Vyrobena ze směsi polypropylenu a minerálních plniv, které zaručují zvýšenou mechanickou odolnost a vynikající zvukově izolační vlastnosti.
2. Zásuvné hrdlo s břitovým těsněním Zaručuje hydraulickou těsnost a volný pohyb potrubí při tepelné roztažnosti. Geometrické vlastnosti zásuvného hrdla zajišťují rychlou a snadnou montáž.
3. Vnější vrstva Vyrobeno z polypropylenu, zaručuje vysokou odolnost proti nárazu. Přítomnost sazí zajišťuje vysokou odolnost vůči UV záření.
4. Vnitřní vrstva Vyrobeno z polypropylenu s extrémně hladkým vnitřním povrchem a vysokou odolností vůči chemickým činidlům.
Instalace:
Abyste se vyhnuli problémům způsobeným nesprávnou montáží a uvedením do provozu, je vhodné se řídit pokyny výrobce. Vezměte prosím na vědomí, že nárok na záruku zaniká v případě neoprávněných úprav nebo zásahů během montáže a uvedení do provozu.
! Před instalací si pečlivě prostudujte montážní návod !
Rozměr:


Průměry, tloušťka stěny a relativní tolerance trubek Valsir Blackfire® jsou uvedeny v následující tabulce.

Poznámka: Uvedené tolerance jsou uvedeny v referenční normě EN 1451.
Spojovací systémy:
Pro připojení trubek a/nebo armatur lze použít různé způsoby:
- Připojení pomocí zásuvného hrdla.
- Spojení pomocí dvouhrdlé vsuvky
Schválené trubky a tvarovky Valsir Blackfire® jsou k dispozici na webových stránkách www.valsir. it

Technické údaje:

Označení potrubí:

1 Jméno výrobce
2 Název značky (Blackfire)
3 Vnější průměr, délka a tloušťka
4 Označení výrobního závodu
5 Označení materiálu (PP-ML)
6 Označení oblasti použití
7 Číslo normy a série
Označení tvarovek:

1 Jméno výrobce
2 Název značky (Blackfire)
3 Vnější průměr, délka a tloušťka
4 Označení výrobního závodu
5 Označení materiálu (PP-ML)
6 Označení oblasti použití
7 Číslo normy a série
Akustické vlastnosti odpadních systémů (zkušební metody):
Referenčními normami používanými pro zkoušky jsou normy UNI EN 14366:2004 a DIN 4109:1989 (spolu s DIN 52219:1993), které specifikují metody měření a hodnocení výsledků.
Zkušební budova se nachází uvnitř Fraunhoferova institutu (Německo). Je kompletně izolovaná díky velmi silným stěnám z nejkvalitnějších zvukově izolačních materiálů. Jedná se o skutečnou budovu o čtyřech podlažích (s vnitřní výškou 3050 mm), z nichž dvě, zobrazená na obrázku s EG a UG, jsou referenční podlaží pro měření rozdělená stěnou z betonu o hmotnosti 220 kg/m2 podle normy DIN 4109 (250 kg/m2 pro evropskou normu EN 14366), do které je ukotven komín s odpadem.
Každé z měřicích podlaží je rozděleno na dvě místnosti: v přední místnosti je instalováno potrubí, zadní místnost je bez jakékoli instalace a je ovlivněna hlukovými vibracemi přenášenými na dělicí stěnu; zadní místnosti mají objem 70,4 m3 (plocha cca 23 m2 ), zatímco přední místnosti mají objem 52,6 m3 (plocha cca 17 m2).
Uspořádání testovacího systému

Čerpací zařízení s přesností 5 % zajišťuje plynulý průtok odpadu systémem a dodává různé úrovně průtoku v závislosti na vnitřním průměru potrubí, jak je patrné z tabulky. Hladiny akustického tlaku se měří ve třetích oktávách s frekvencemi od 100 Hz do 5000 Hz.
Měření průtoku v závislosti na rozměrech testovaného odpadního potrubí:
Výsledky testu:
Zkoušky byly provedeny jak se dvěma objímkami, tak s jednou objímkou na podlahu, protože představují typické instalace v obytných budovách. Vezměte v úvahu, že získané hodnoty byly zaokrouhleny na celá čísla, jak vyžadují referenční normy.
Hladiny akustického tlaku naměřené za instalační stěnou pro potrubí Valsir Blackfire® 110x3,4, měření provedl a formuloval Fraunhoferův institut ve Stuttgartu (Německo).

Životní prostředí:
Likvidace výrobku musí proběhnout v souladu s platnými místními právními předpisy.

Valsir – Inovativní instalační systémy a technika pro moderní stavby
Valsir S.p.A. je součástí Silmar Group a patří mezi přední evropské výrobce instalačních systémů pro vodu, odpad a topení. Od roku 1987 buduje své jméno na inovacích, technickém know-how a globální přítomnosti ve více než deseti zemích.
✅ Kompletní sortiment: potrubní systémy, kanalizace, sanitární moduly, systémy pro topení a chlazení
✅ Mezinárodní zázemí: výrobní závody v Itálii, Portugalsku, Polsku, Rumunsku, Francii i Jižní Africe
✅ Důraz na udržitelnost: ekologická výroba, certifikace kvality a orientace na zákaznické potřeby
Valsir S.p.A. je synonymem pro technicky vyspělá a spolehlivá řešení, která posouvají standardy v oblasti moderních instalací po celém světě.
Rádi vám poradíme s řešením!
Volejte + 420 702 120 202
Pište na info@novalinea.cz
Doplňkové parametry
| Kategorie: | HTDA odbočka dvojitá odpadní odhlučněná ohnivzdorná |
|---|---|
| Záruka: | 24 měsíců |
| EAN: | 8023857426337 |
| Použití: | odpadní systémy |
| Provedení: | odbočka 87°30' dvojitá |
| Připojení: | DN 110/50/50, DN 110, DN 125/110/110, DN 160/110/110 |
| Výrobce: | Valsir S.p.A., Itálie |
| ? Zvukově izolační vlastnosti: | 16 dB(A) |
| ? Požární odolnost: | B1 |
| Minimální teplota použití: | -10 °C |
| Tmax odpadní vody průběžná: | +80 °C |
| Tmax odpadní vody krátkodobá: | +95 °C |
| ? Minimální tlak: | -800 mba |
| ? Maximální tlak: | 1,5 bar |
| Složení odpadních vod: | pH 2÷12 |
| Materiál: | polypropylen a minerální plnivo |
| ? UV odolnost: | UV filtr |
| ? Vnitřní povrch: | bílý |
| ? Modul pružnosti: | 1500 MPa |
| ? Pevnost v tahu: | ≥ 20 MPa |
| ? Limitní prodloužení: | ≥ 50 % |
| ? Teplota tání krystalů: | ≥ 160 °C |
| Lineární koeficient tepelné roztažnosti: | 0,08 mm/mK |
| Obsah halogenu: | bezhalogenové |
| Referenční stavební norma: | EN 1451-1 - AS7671:2003 |
Blackfire - Il sistema di scarico resistente al fuoco
Blackfire - The fire resistant waste system
Valsir - Corporate movie [Italiano - Short Edition]
Webinar Impianti - La corretta ventilazione degli impianti di scarico
Hodnocení produktu
Buďte první, kdo napíše příspěvek k této položce.
Diskuze
Buďte první, kdo napíše příspěvek k této položce.
Valsir – Inovativní řešení pro instalace a rozvody s globálním dosahem
Valsir S.p.A. je součástí prestižní skupiny Silmar Group a patří mezi přední evropské výrobce systémů pro rozvody vody, odpadů a vytápění. Od roku 1987 rozvíjí své výrobní i vývojové kapacity v Itálii i zahraničí a klade důraz na technologické inovace, kvalitu a udržitelnost. Díky vlastnímu výzkumu a silnému zázemí expanduje Valsir na evropské, asijské i africké trhy.
✅ Inovativní systémy pro instalace: odpadní, vodovodní a vytápěcí systémy s důrazem na efektivitu a ekologii
✅ Mezinárodní zázemí a výroba: závody v Itálii i dalších zemích, součástí Silmar Group s obratem 900 mil. €
✅ Špičková kvalita a vývoj: důsledná kontrola kvality, vývoj nových technologií a zaměření na potřeby trhu
Společnost Valsir je silným partnerem pro projektanty, instalační firmy i distributory, kteří hledají spolehlivá a inovativní řešení v oblasti vnitřních instalací. Díky globálním zkušenostem a profesionálnímu přístupu si značka buduje silné postavení na všech trzích.
Rádi vám poradíme s řešením!
Volejte + 420 702 120 202
Pište na info@novalinea.cz
| Výrobní společnost : | Valsir S.p.A. |
|---|---|
| Adresa : | Località Merlaro, 2 25078 Vestone (BS) Italy |
| E-mail : | valsir@valsir.it |

